|
|
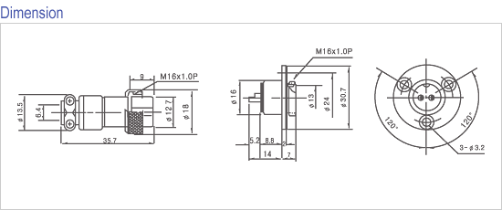
제품소개 > 컨넥터 > SEK-16SERIES |
  |
| SHELL SIZE |
2 |
3 |
4 |
5 |
CONTACT
ARRANGEMENTS |
 |
 |
 |
 |
정격전류
CURRENT RATING |
5A |
5A |
5A |
5A |
절연저항
INSULATION RESISTANCE |
1000MΩ MIN |
1000MΩ MIN |
1000MΩ MIN |
1000MΩ MIN |
접촉저항
CONTACT RESISTANCE |
5MΩ MAX |
5MΩ MAX |
5MΩ MAX |
5MΩ MAX |
| SHELL SIZE |
6 |
7 |
8 |
CONTACT
ARRANGEMENTS |
 |
 |
 |
정격전류
CURRENT RATING |
3A |
3A |
3A |
절연저항
INSULATION RESISTANCE |
1000MΩ MIN |
1000MΩ MIN |
1000MΩ MIN |
접촉저항
CONTACT RESISTANCE |
5MΩ MAX |
5MΩ MAX |
5MΩ MAX |
|
 |
|
|
|